日本林時計目視檢查用台燈SPA2-10SDZ / SPA2-10SWZ
日本HAYASHI林時計照明燈SPA2-10
在精密製造和質量控製領域,照明燈的選擇至關重要。日本HAYASHI林時計作為光學測量和照明設備的領先製造商,其SPA2-10係列照明燈憑借卓越的性能和廣泛的應用領域,成為了眾多企業和研發機構的優選。本文將詳細介紹SPA2-10SD、SPA2-10SW、SPA2-10CD和SPA2-10CW這四款照明燈的特點和優勢。

日本HAYASHI林時計SPA2-10係列照明燈專為各種製造檢查過程中的視覺檢查而設計。該係列照明燈采用先進的LED技術,提供穩定且高亮度的照明,適用於鏡片、玻璃製品、片材/薄膜以及金屬表麵的沉積狀態檢查。同時,該係列照明燈還可用於確認IC晶片、安裝板、汽車零件等產品的塗層均勻性和顏色均勻性,是機床輔助照明和定製設備光源的理想選擇。
產品特點
高精度照明:SPA2-10係列照明燈采用業界領先的4芯片LED技術,結合獨特的恒定電流調光方法,可實現佳照明效果。無論是白色光(CW, SW)還是燈泡顏色(CD, SD),都能提供穩定且均勻的照明,滿足各種檢查需求。
靈活的安裝方式:該係列照明燈提供多種安裝方式,包括夾鉗式(CW, CD)和支架式(SW, SD),可根據具體應用場景靈活選擇。同時,部分型號還配備了變焦鏡頭,可根據檢查對象的大小和距離進行調整,實現更的照明。
長壽命LED:SPA2-10係列照明燈采用高品質的LED光源,壽命長達20,000小時,大大降低了更換光源的頻率和維護成本。同時,LED光源還具有節能、環保的優點,符合現代工業的綠色製造理念。
無風扇自然散熱:該gai係xi列lie照zhao明ming燈deng采cai用yong無wu風feng扇shan自zi然ran散san熱re設she計ji,有you效xiao避bi免mian了le灰hui塵chen和he雜za質zhi的de飛fei散san,確que保bao了le長chang期qi穩wen定ding運yun行xing。同tong時shi,無wu風feng扇shan設she計ji也ye降jiang低di了le噪zao音yin汙wu染ran,為wei檢jian查zha人ren員yuan提ti供gong了le更geng加jia舒shu適shi的de工gong作zuo環huan境jing。
產品型號及規格
SPA2-10SD:燈泡顏色類型,適用於需要清晰顯示劃痕和缺陷的檢查場景。
SPA2-10SW:白色光類型,適用於需要高亮度照明的檢查場景。
SPA2-10CD:燈泡顏色類型,配備標準鏡頭,適用於各種常規檢查。
SPA2-10CW:白色光類型,配備標準鏡頭,適用於需要照明的精密檢查。
應用領域
日本HAYASHI林時計SPA2-10係列照明燈廣泛應用於各種製造行業,如電子、光學、汽車零部件、航空航天等。在電子產品製造中,該係列照明燈可用於檢查電路板、芯片、連接器等部件的缺陷和瑕疵;在光學產品製造中,可用於檢查鏡片、濾光片等光學元件的質量;在汽車零部件製造中,可用於檢查發動機、變速器等關鍵部件的裝配質量和表麵缺陷。
日本HAYASHI林時計SPA2-10係列照明燈憑借其高精度照明、靈活的安裝方式、長壽命LED和無風扇自然散熱等優點,成為了各種製造檢查過程中的理想選擇。無論是在電子產品、光學產品還是汽車零部件製造中,該係列照明燈都能提供穩定且高質量的照明效果,助力企業提升產品質量和生產效率。

SPA2-10SDZ / SPA2-10SWZ特長
采用4芯片LED
公司自有的恒流調光方式可防止閃爍
靈活的臂結構,實現好的照明
配備變焦鏡頭
>SPA2-10SDZ / SPA2-10SWZ用途
各製造檢查工程中產品目視檢查用照明
鏡片、玻璃製品、片材、薄膜及金屬表麵的鍍層狀態
確認IC晶圓,實裝基板,汽車部品,塗裝不均勻,顏色不均勻等
機床輔助照明,訂製設備用光源
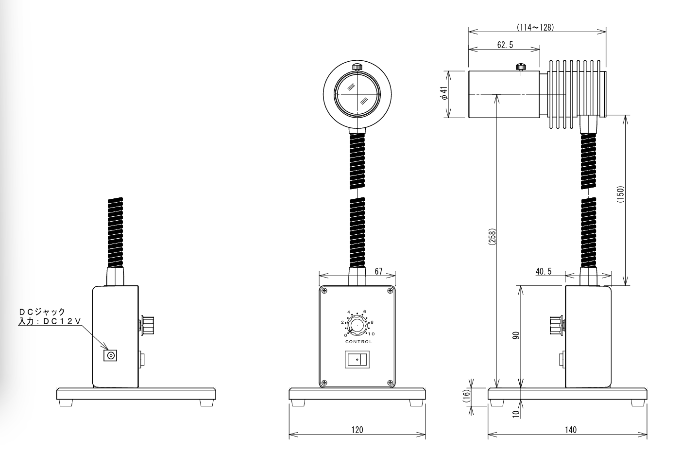
SPA2-10SDZ / SPA2-10SWZ外觀圖




上圖為長變焦款:SPA2-10SWP / SPA2-10SDP
上圖為:MSPA台式檢查燈
SPA2-10SDZ / SPA2-10SWZ規格
| 型號 | SPA2-10SDZ / SPA2-10SWZ |
| 照明顏色 | 白色(SPA2-10SWZ) 電球色(暖白色)SPA2-10SDZ) |
| 設置方式 | 台式 |
| 鏡頭規格 | 變焦鏡頭 |
| 鏡頭型號 | TKG-3079-2650 |
| 中心照度 ※1 | 120,000lx~65,000lx |
| 照射範圍 ※2 | φ80~φ115mm (@WD=200mm) |
| LED壽命 ※3 | 約20,000小時 |
| 濾光片 ※4 | φ39 |
| 額定輸入電壓 | DC12V |
| 消費功率 | 12W |
| 光量調節 | 前麵旋鈕連續調節燈光 |
| 冷卻方式 | 無風扇自然散熱 |
| 使用溫度範圍 | 0-40℃ |
| 使用濕度範圍 | 20%-80%RH (不會結露) |
| 重量 | 約1Kg(不含AC變壓器) |
| 附屬AC變壓器電源電壓 | AC100-240V 50/60Hz |
| 附屬AC變壓器輸出電壓 | DC15V 1A |
※1中心照度為距離WD=200mm情況下測量出,隻作參考.
※2照射為距離WD=200mm情況下測量出,隻作參考.
※3LED壽命會受使用環境影響,不保證達到規格值。
※4濾光片:φ39的濾光片需要定製。




添加微信谘詢!